Верхняя Punto (Пунто) направляющая Soft LINE 45/55/1,5/3000 track (3 м)
Бренд
Материал
Алюминий
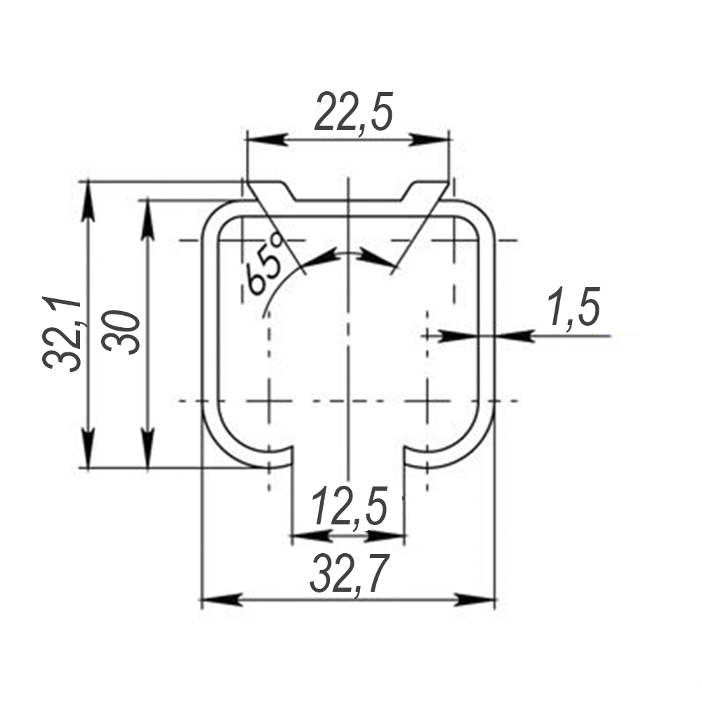
Верхняя направляющая из алюминия для раздвижной системы.
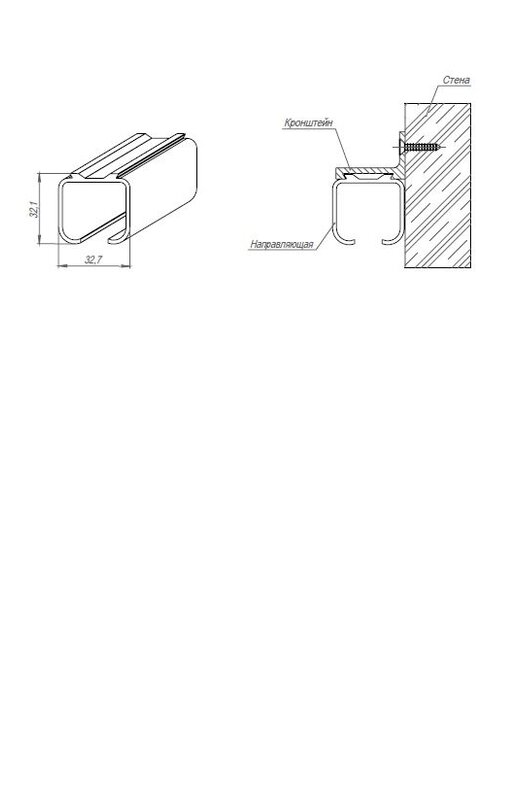
Система крепления "ласточкино гнездо" позволяет установить направляющую используя кронштейн.
Максимальный вес нагрузки : 55кг. Длина профиля: 3 метра.
Для комплектации раздвижной системы необходимо приобрсти : нижню направляющую, ролики SoftLine 45/4 или Soft LINE 55/4, ручки для раздвижных дверей с возможностью запирания или без запирания.
Система крепления "ласточкино гнездо" позволяет установить направляющую используя кронштейн.
Максимальный вес нагрузки : 55кг. Длина профиля: 3 метра.
Для комплектации раздвижной системы необходимо приобрсти : нижню направляющую, ролики SoftLine 45/4 или Soft LINE 55/4, ручки для раздвижных дверей с возможностью запирания или без запирания.
- ПроизводительPUNTO
- СтранаРоссия
- Вес1261 г
- Гарантия1 год
- Габариты инд уп-ки (ШхГхВ)3000x45x45 мм
- Тип упаковкиСтрейч пленка
- МатериалАлюминий
- Тип дверейДля раздвижных дверей
- Вес двериДо 55кг
- Толщина двериОт 26 мм
- СерияSoft LINE
- Способ установкиДля ручной установки
- РегулировкаНет
- Кол-во в упаковке1
- МодельSoft LINE
- Длина3000 мм